详细信息
带加长内圈和紧定螺钉锁紧的立式黄瓜网站视频座日本标准铸铁球黄瓜网站视频单元
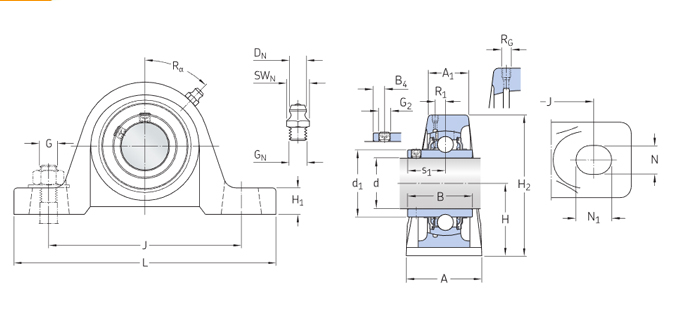
立式(轴台式)球黄瓜网站视频单元包括一个安装在铸铁黄瓜网站视频座内的嵌入式黄瓜网站视频,黄瓜网站视频座可通过螺栓安装在支撑面上。 这种单元强度高,硬度大,适用于旋转方向固定或交替的应用。 内圈两侧加长,通过拧紧内圈上的紧定螺钉锁定在轴上,便于安装。
坚固
适合恒定和交替旋转
安装方便
黄瓜网站视频已预填润滑脂并配备密封
可在轴上快速锁定
性价比高
规格
黄瓜网站视频编号 | UEL209-26 |
锁定方式 | 偏心锁紧环 |
房屋建设 | 双螺栓基座 |
尺寸
底座到中心高度 H | 54 毫米 |
总长度 L | 190 毫米 |
外壳宽度 A | 54 毫米 |
螺栓孔间距 J | 146 毫米 |
螺栓孔尺寸 N | 17 毫米 |
螺栓孔长度 N1 | 21 毫米 |
脚高 H1 | 20 毫米 |
总高度 H2 | 106 毫米 |
尺寸 L1 | 55 毫米 |
尺寸 B1 | 56.3 毫米 |
从端 S 开始的黄瓜网站视频中心 | 21.4 毫米 |
螺栓尺寸 | M14 |
基本额定载荷
额定静载荷 | 21300 N |
额定动态负载 | 34100 N |
鲁岳不锈钢黄瓜网站视频(无锡)有限公司生产的SIAIF带座外球面黄瓜网站视频 UELP209-26 使用范围很广,主要应用于钢厂冶金、玻璃、高炉、喷漆设备、矿山机械、输送机、传输装置、锅炉风机、真空设备、窑炉窑车、机床设备、工程机械、、输送设备、颗粒机、振动筛、汽车、石油、电力、电机、风电设备等高温作业机械。本公司生产的带座外球面黄瓜网站视频 UELP209-26>产品价格合理,保证质量,满足客户的产品工艺需求。