黄瓜视频成人免费版,黄瓜网站视频,黄瓜视频在线视频,黄瓜视频软件免费下载

型号查询
黄瓜网站视频型号   品牌
SIAIF
类型 内径   外径   厚度   点击查询

型号查询 X

SIAIF

不锈钢黄瓜网站视频,高温黄瓜网站视频,耐高温黄瓜网站视频,薄壁球黄瓜网站视频,自润滑黄瓜网站视频,转台黄瓜网站视频,外球面黄瓜网站视频,组合黄瓜网站视频,汽车黄瓜网站视频,角接触球黄瓜网站视频,无油黄瓜网站视频,交叉滚子黄瓜网站视频,调心球黄瓜网站视频,平面黄瓜网站视频,角接触黄瓜网站视频,哈尔滨黄瓜网站视频,高速黄瓜网站视频,陶瓷黄瓜网站视频,高温润滑脂,圆锥滚子黄瓜网站视频,推力球黄瓜网站视频,调心滚子黄瓜网站视频,圆柱滚子黄瓜网站视频,黄瓜网站视频座,SKF黄瓜网站视频,NSK黄瓜网站视频,NTN黄瓜网站视频,替代进口黄瓜网站视频型号查询

YAR216-2F/VA228

高温带座外球面黄瓜网站视频 YAR216-2F/VA228

产品名称:YAR216-2F/VA228 类型:高温带座外球面黄瓜网站视频
品牌:SIAIF 新型号:YAR216-2F/VA228
旧型号:YAR 216-2F/VA228 内径d:80
外径D:140 厚度(mm):77.8
重量:

咨询热线:13395101668

详细信息

带紧定螺钉和加长内圈的高温嵌入式黄瓜网站视频

SIAIF 高温黄瓜网站视频用于高达 350 °C (660 °F) 的运行温度,可提高可靠性,降低复杂程度,并降低对环境的影响。 这使得这种产品非常适合窑车、辊式炉和面包房等旋转方向固定或交替的应用。

  • 极端条件下性能卓越

  • 减少对环境的影响

  • 降低整体运行成本

  • 几乎免维护运行


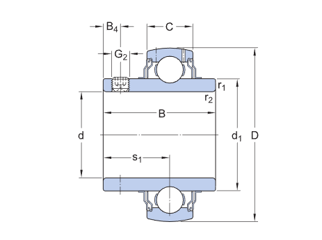
尺寸

d

80 mm

孔径
D

140 mm

外径
B

77.8 mm

内圈宽度
C

30 mm

外圈宽度
d1

≈97.4 mm

内圈挡边直径
B4

12 mm

锁定扣侧面到螺纹中心距离
s1

47.6 mm

锁定扣侧面到滚道中心的距离
r1,2

min.2 mm

倒角尺寸


数据计算

基本额定动荷C

72.8 kN

基本额定静负荷C0

53 kN

极限转速

60 r/min

工作温度T

max.250 °C


重量

黄瓜网站视频重量

2.55 kg


安装信息

紧定螺钉G2

M10x1

紧定螺钉的六角扳手尺寸N

5 mm

推荐的紧定螺钉拧紧力矩

16.5 N·m




高温带座外球面黄瓜网站视频选鲁岳不锈钢黄瓜网站视频(无锡)有限公司,高温带座外球面黄瓜网站视频厂家主要生产SIAIF耐高温黄瓜网站视频、不锈钢黄瓜网站视频、高温带座外球面黄瓜网站视频,高温带座外球面黄瓜网站视频 YAR216-2F/VA228产品相关信息:型号:YAR216-2F/VA228,   品牌:SIAIF黄瓜网站视频 ,  类型:高温带座外球面黄瓜网站视频 ,  内径:80mm ,  外径:140mm ,  厚度:77.8mm ,  想要更多的了解无锡高温带座外球面黄瓜网站视频 YAR216-2F/VA228的相关产品信息,可以拨打服务热线 ,黄瓜视频成人免费版会为您详细介绍产品的相关服务。

鲁岳不锈钢黄瓜网站视频(无锡)有限公司生产的SIAIF高温带座外球面黄瓜网站视频 YAR216-2F/VA228 使用范围很广,主要应用于钢厂冶金、玻璃、高炉、喷漆设备、矿山机械、输送机、传输装置、锅炉风机、真空设备、窑炉窑车、机床设备、工程机械、、输送设备、颗粒机、振动筛、汽车、石油、电力、电机、风电设备等高温作业机械。本公司生产的高温带座外球面黄瓜网站视频 YAR216-2F/VA228>产品价格合理,保证质量,满足客户的产品工艺需求。

网站地图