详细信息
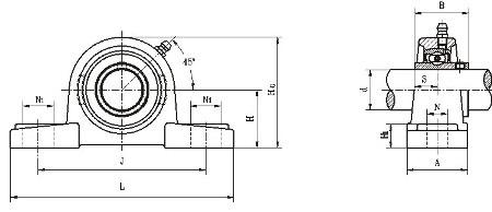
尺寸 Dimensions(mm)(inch) | - H54.0
- L190
- J146
- A54
- N17
- N121
- H120
- H2106
- S19.0
- B49.2
|
---|
螺栓 Bolt Used (mm) (in.) | - 螺栓 Bolt Used (mm) (in.)M14
|
---|
黄瓜网站视频 代号 Bearing No. | - 黄瓜网站视频 代号 Bearing No.UC209
|
---|
无锡斯艾浮传动机械有限公司专业生产销售立式不锈钢塑料带座外球面黄瓜网站视频UCP209,UCP209相关信息有: 型号UCP209 内径:45 外径:49.2 厚度:192 不锈钢外球面黄瓜网站视频 SUC209 塑料黄瓜网站视频座 P209 品牌:SIAIF 系列:外球面黄瓜网站视频座 ,想要更多的了解UCP209的相关信息,可以进行在线咨询或者拨打热线电话 ,黄瓜视频成人免费版会详细为您服务。
不锈钢塑料带座外球面黄瓜网站视频UCP209使用范围很广,立式不锈钢塑料带座黄瓜网站视频UCP209主要应用于工程机械、机床、汽 车、冶金、矿山、石油、机械、电力、铁路等行业,本公司生产的立式黄瓜网站视频座UCP209价 格合理,保证质量,全方面的服务,尽一切满足客户的需求。塑料外球面黄瓜网站视频座选鲁岳不锈钢黄瓜网站视频(无锡)有限公司,塑料外球面黄瓜网站视频座厂家主要生产SIAIF耐高温黄瓜网站视频、不锈钢黄瓜网站视频、塑料外球面黄瓜网站视频座,塑料外球面黄瓜网站视频座 UCP209产品相关信息:型号:UCP209, 品牌:SIAIF黄瓜网站视频 , 类型:塑料外球面黄瓜网站视频座 , 内径:45mm , 外径:190mm , 厚度:54mm , 想要更多的了解无锡塑料外球面黄瓜网站视频座 UCP209的相关产品信息,可以拨打服务热线 ,黄瓜视频成人免费版会为您详细介绍产品的相关服务。
鲁岳不锈钢黄瓜网站视频(无锡)有限公司生产的SIAIF塑料外球面黄瓜网站视频座 UCP209 使用范围很广,主要应用于钢厂冶金、玻璃、高炉、喷漆设备、矿山机械、输送机、传输装置、锅炉风机、真空设备、窑炉窑车、机床设备、工程机械、、输送设备、颗粒机、振动筛、汽车、石油、电力、电机、风电设备等高温作业机械。本公司生产的塑料外球面黄瓜网站视频座 UCP209>产品价格合理,保证质量,满足客户的产品工艺需求。